| Sign In | Join Free | My portofva.com |
|
Brand Name : PMEG4005CT-QR
Model Number : Nexperia
Certification : CE, GCF, ROHS
Place of Origin : China
MOQ : 1
Price : Negotiable
Payment Terms : T/T, Western Union,
Supply Ability : 1000pcs per month
Delivery Time : 3-5 working days after received the payment
Packaging Details : Packed in original tray firstly ,then carton, at last Bubble bag for outer packing
Function : Step-Up, Step-Down
Output Configuration : Positive or Negative
Topology : Buck, Boost
Output Type : Adjustable
Number of Outputs : 1
PMEG4005CT Ultra-Low VF 1.22V High Efficiency 40V/70A Schottky Diode with Dual-Center-Pin AEC-Q101 Qualified Halogen-Free RoHS Compliant Superior Thermal Performance in TO-220AB Package
andnbsp;
Features
andbull; Average forward current: IF(AV) andle; 0.5 A
andbull; Reverse voltage: VR andle; 40 V
andbull; Small SMD plastic package
andbull; Low forward voltage
andbull; Qualified according to AEC-Q101 and recommended for use in automotive applications
andnbsp;
Applications
andbull; Low voltage rectification
andbull; Reverse polarity protection
andbull; High efficiency DC-to-DC conversion
andbull; High-speed switching
andbull; Switch Mode Power Supply (SMPS)
andbull; Low power consumption applications
andnbsp;
Description
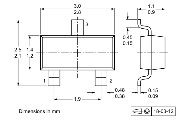
Planar Schottky barrier rectifier in common cathode configuration with an integrated guard ring for stress protection, encapsulated in a SOT23 (TO-236AB) small Surface-Mounted Device (SMD) plastic package.
andnbsp;
INFORMATION
| Category | andnbsp; | |
| Manufacturer | Nexperia USA Inc. | andnbsp; |
| Series | - | andnbsp; |
| Packaging | Tape andamp; Reel (TR) | andnbsp; |
| Part Status | Active | andnbsp; |
| Diode Configuration | 1 Pair Common Cathode | andnbsp; |
| Technology | Schottky | andnbsp; |
| Voltage - DC Reverse (Vr) (Max) | 40 V | andnbsp; |
| Current - Average Rectified (Io) (per Diode) | 500mA | andnbsp; |
| Voltage - Forward (Vf) (Max) @ If | 470 mV @ 500 mA | andnbsp; |
| Speed | Fast Recovery =andlt; 500ns, andgt; 200mA (Io) | andnbsp; |
| Reverse Recovery Time (trr) | 13 ns | andnbsp; |
| Current - Reverse Leakage @ Vr | 100 andmicro;A @ 40 V | andnbsp; |
| Operating Temperature - Junction | 150anddeg;C | andnbsp; |
| Grade | Automotive | andnbsp; |
| Qualification | AEC-Q101 | andnbsp; |
| Mounting Type | Surface Mount | andnbsp; |
| Package / Case | TO-236-3, SC-59, SOT-23-3 | andnbsp; |
| Supplier Device Package | TO-236AB |
andnbsp;
Drawing

Our advantage :phones, PDAand#39;s, notebook comput.ers
andnbsp;
be sure to meet your need for all kinds of components. ^_^
Product List
Supply a Series of Electronic Components, full range of semiconductors, active andamp; passive Components.We can help you to get all for bom of the PCB,IN a word, you can get one-stop solution here,
The offers including:
Integrated Circuit, Memory ICs, Diode, Transistor , Capacitor, Resistor, Varistor, Fuse, Trimmer andamp; Potentiometer, Transformer, Battery, Cable, Relay, Switch, Connector, Terminal Block, Crystal andamp; Oscillator, Inductor, Sensor, Transformer, IGBT Driver, LED,LCD, Convertor, PCB (Printed Circuit Board),PCBA (PCB Assembly)
Strong in Brand:
Microchip, MAX, AD, TI, ATMEL, ST, ON, NS, Intersil, Winbond, Vishay, ISSI, Infineon, NEC, FAIRCHILD, OMRON,YAGEO, TDK, etc
|
|
PMEG4005CT Ultra-Low VF 1.22V High Efficiency 40V/70A Schottky Diode with Dual-Center-Pin AEC-Q101 Qualified Halogen-Free RoHS Compliant Superior Images |